Industrial Designer
Menu
Skip to content
Home
3D
apparel
Auto Liveries
automotive
footwear
graphic – illustration – logo
logos
Lone Star Drift…
photography
resume
Routine Assistant
SEMA Accord
sketch
TAKEDA FOAM
Published
April 29, 2015
at
765 × 537
in
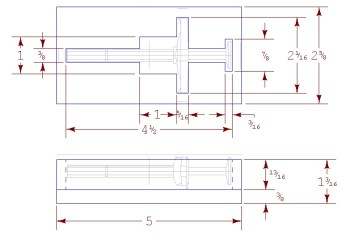
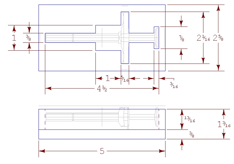
Takeda Syringe Carton
← Previous
Next →
Holler Back...
Cancel reply
Δ
Privacy & Cookies: This site uses cookies. By continuing to use this website, you agree to their use.
To find out more, including how to control cookies, see here:
Cookie Policy
Comment
Subscribe
Subscribed
baxterdesignlab.com
Sign me up
Already have a WordPress.com account?
Log in now.
baxterdesignlab.com
Subscribe
Subscribed
Sign up
Log in
Copy shortlink
Report this content
View post in Reader
Manage subscriptions
Collapse this bar